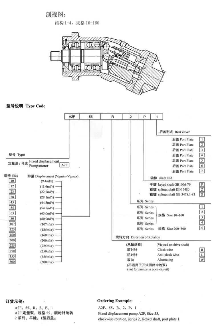
A2F
斜軸柱塞泵主要排量規格包括:10、23、28、55、80、107、160
湖北廠家直銷A2F斜軸式定量柱塞泵
現貨供應斜軸柱塞泵
A2F55R2P3 A2F55L2P3 A2F55R3P4
產品實物如下圖

A2F55R2P3產品型號說明,具體參考如圖:
A2F--產品系列代號
55--排量規格 55ml/r
R--順時針正轉
2--后蓋形式
P--平鍵直軸
3--油口形式
注意:A2F55規格的柱塞泵,最常用的型號就是A2F55R2P3、A2F55L2P3 、A2F55R3P4

柱塞泵是液壓系統的一個重要裝置。它依靠柱塞在缸體中往復運動,使密封工作容腔的容積發生變化來實現吸油、壓油。柱塞泵具有額定壓力高、結構緊湊、效率高和流量調節方便等優點。柱塞泵被廣泛應用于高壓、大流量和流量需要調節的場合,諸如液壓機、工程機械和船舶中。定量柱塞泵/馬達能在能夠根據工作的需要在一定范圍內輸出特性,這一特點已被廣泛地應用在眾多的液壓設備中,如:恒流控制、恒壓控制、恒速控制、恒轉矩控制、恒功率控制、功率匹配控制等。采用變量泵(馬達),具有顯著的節能效果,近年來使用越來越廣泛,而且新的結構和控制發展迅速,各個生產廠也在不斷改進設計,用以液壓自動控制的不斷發展需要。產品應用領域包括鋼鐵冶金和礦山機械;工程機械和輕工設備;船舶、民航地面設備;石油和石化機械;建筑和行走機械。吸油壓力(開式)為0.09~0.15MPa。柱塞缸體與分油盤之間為球面配油,在運轉中能自動對中,周速較低,效率較高,驅動軸能承受徑向負荷。
A2F系列斜軸定量柱塞泵55排量常用型號(大部分有現貨庫存)包括A2F55R2P3、A2F55L2P3、A2F55W2P2、YFA2F55R2P3、LY-A2F55R3P4、L2F55R3P4、L2F55R2P3
斜軸柱塞泵A系列配管須知:連接到柱塞油泵上油管,應全部為軟管。斜軸柱塞泵A2F系列壓力:允許壓力在-0.16-+0.5bar之間,口配管直徑與所有規定的管道法蘭直徑相同,斜軸定量馬達的口高于油箱液面,高度須小于1m。
斜軸柱塞泵A2F55L2P3 、
A2F55R2P3、A2F55R3P4產品包括型號、價格、使用說明等相關信息可聯系我公司銷售人員咨詢獲取更詳細說明。