力士樂系列柱塞泵
A2FO12/61R-PBB06是一種軸向柱塞泵,具有固定的排量,也稱為定量柱塞泵。
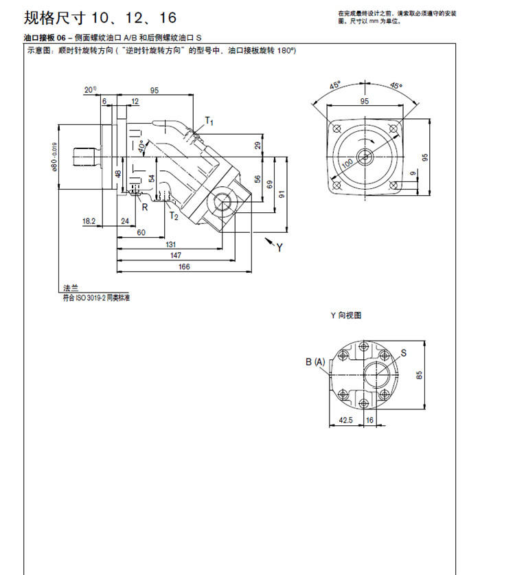
該泵與德國REXROTH柱塞泵型號定義、外形尺寸、安裝方式均一致,是國產柱塞泵的優質產品,值得推薦。
柱塞泵
A2FO12/61R-PBB06相關產品型號規格如下:
A2FO12/61R-PAB06 A2FO12/61R-PBB06 A2FO12/61R-PPB06 A2FO12/61R-PZB06
A2FO12/61R-VAB06 A2FO12/61R-VBB06 A2FO12/61R-VPB06 A2FO12/61R-VZB06
A2FO12/61L-PAB06 A2FO12/61L-PBB06 A2FO12/61L-PPB06 A2FO12/61L-PZB06
A2FO12/61L-VAB06 A2FO12/61L-VBB06 A2FO12/61L-VPB06 A2FO12/61L-VZB06




