REXROTH力士樂變量液壓泵
A10VSO140DFLR/31R-PPB12N00是一種恒功率變量柱塞泵,屬于力士樂A10VSO系列中排量規格
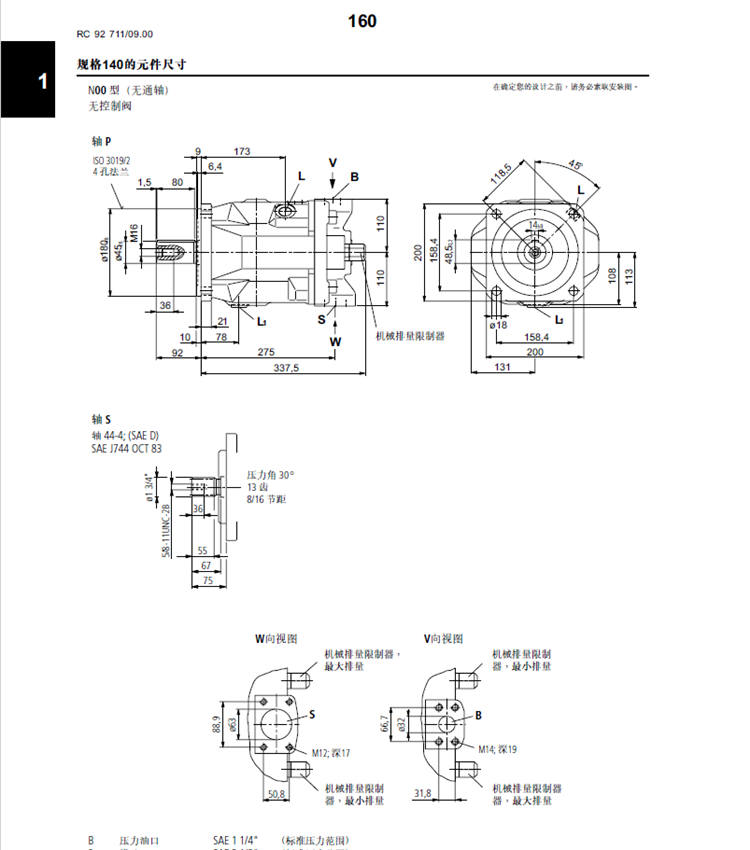
為140的產品。該泵也是A10VSO 31系列泵中排量最大規格的產品。該泵常用于液壓站,行走機械、工程機械、鍛壓機械、煤炭機
械等。
技術參數如下:
產品額定轉速:500-3000r/min;
額定工作壓力:28Mpa;
峰值工作壓力:35Mpa;
泵的標準排量:140ml/r;
泵的容積效率:大于等于95%;
控制方式:DFLR恒功率變量控制;
力士樂變量液壓泵A10VSO140DFLR/31R-PPB12N00產品實物圖如下


A10VSO140DFLR/31R-PPB12N00型號說明:
A10VSO為恒壓變量柱塞泵的型號;
140代表排量為140r/min;
DFLR代表控制方式為恒功率變量控制;
31代表系列結構;
R 為順時針轉向(正轉);
P(第一個P)代表軸伸形式為平鍵軸;
P(第二個P)代表產品密封材料丁青橡膠;
12 代表后蓋形式;
N00 代表本產品無通軸選項;
詳細型號說明參考下圖。


力士樂變量液壓泵A10VSO140DFLR/31R-PPB12N00相關型號規格如下
A10VSO140DFLR/31R-PPB12NOO
AA10VSO140DFLR/31R-PPB12N00
L10VSO140DFLR/31R-PPB12N00
A10VSO140DFLR/31L-PPB12N00
A10VSO140DFLR/31R-PSD12N00
A10VSO140DFLR/31R-PKC62N00
A10VSO140DFLR/31R-VSC62N00
A10VSO140DFLR/31R-PSC62N00
A10VSO140DFLR/31R-PSC92N00
A10VSO140DFLR/31R-VSC92N00
A10VSO140DFLR/31R-PSC12K07
A10VSO140DFLR/31R-VSC12K07
A10VSO140DFLR/31R-PSD12KB5
A10VSO140DFR/31R-PPB12N00




更多關于產品型號、產品性能、產品用途、產品安裝方式、結構尺寸等請聯系我公司銷售人員。